主页
公司简介
产品中心
新闻动态
技术支持
联系我们
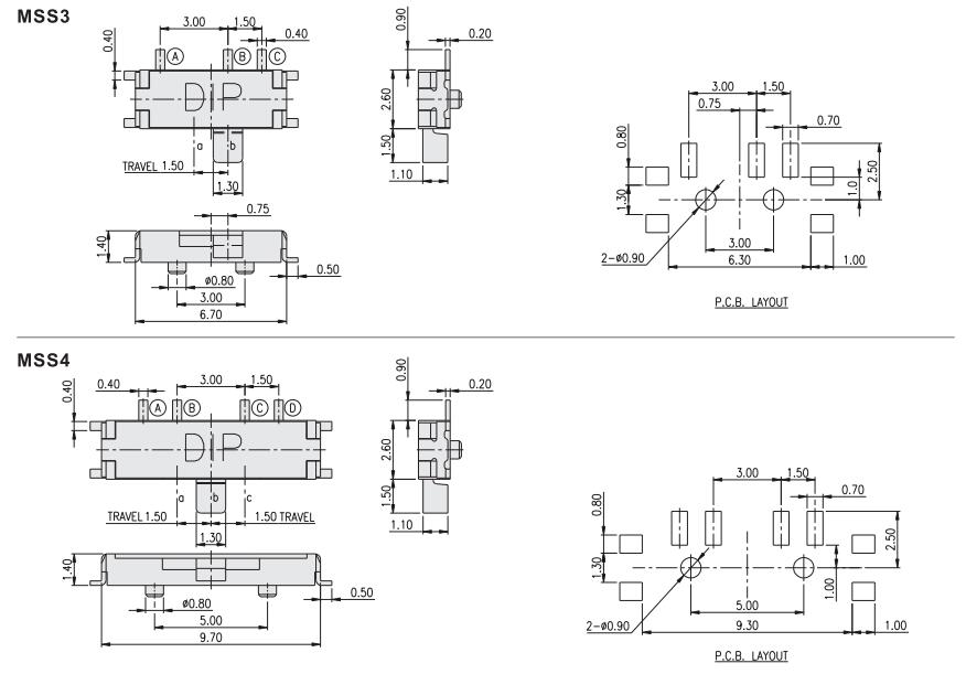
MSS(3)(4)
主页
\
产品中心
\
MSS(3)(4)
13590335559
销售经理
仓库管理
主页
公司简介
产品中心
新闻动态
技术支持
联系我们